

304永利集团官网
简 介,西安苏熔电器有限公司高压熔断器价格是一家专业设计、生产制造高压熔断器的公司。主要生产变压器保护用、电动机保护用、电压互感器保护用、电力电容器保护用、风变保护用五大系列高压限流熔断器。同时还可为用户设计制造各类特制熔断器。电压等级从3.6kv~40.5kv,电流规格为0.2A~400A。产品符合英国BS标准,德国DIN标准。同时符合国家标准GB15166和国际电工委员会IEC标准。
高压熔断器价格公司具有一批高素质的技术人员、管理人员和销售队伍。依靠强大的科技实力和精湛的制造工艺,不断改进和提高熔断器的品质,为做出具有民族品牌的高压限流熔断器而不懈地努力,公司一贯坚持严格管理,以创“产品一流,质量一流,服务一流,信誉一流”为自己的经营思想和理念。按照ISO9001:2008质量体系要求,不断完善质量管理体系工作,为客户全面提供优质、可靠的产品和服务。
产品特点:
1.分断能力高:产品额定开断电流为31.5KA-63KA。
2.电弧电压低:在分断过程中电弧电压较低,高压熔断器价格当用于低于额定电压系统时,电弧电压将进一步减
少,因此可将12KV熔断器用于12KV或7.2KV系统而没有损坏系统绝缘的危险。
3.功率损耗小:因产品的温升较低,当熔断器用于全封闭的绝缘装置中,该特点更为有利。
4.特性曲线误差小:时间电流特性曲线误差小于±10%,保证了产品的稳定性。
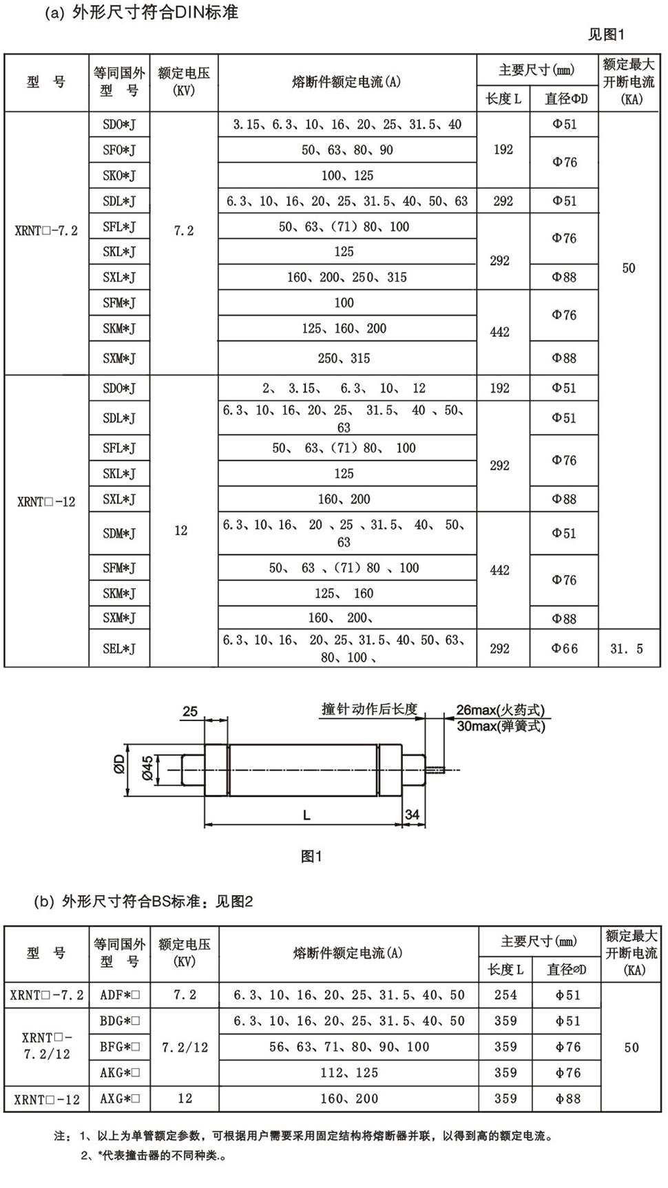
5.规格标准化:产品额定参数符合国际电工委员会IEC标准R.及R系列。
6.两种接线形式:
(1)母线式外形尺寸符合英国BS标准,可以直接用螺钉紧固在母线上,具有安装体积小,接触可靠等特点。
(2)插入式外形尺寸符合德国DIN标准,具有更换方便的特点。
以上两种接线方式均符合国家标准GB15166和国际电工委员会IEC标准。
7.两种类型的撞击器:
(1)火药撞击器:又可分为符合英国BS标准熔断器撞击器的输出能量为2±1焦耳。符合德国DIN标准熔断器的输出能量为3±1焦耳。
(2)弹簧撞击器:弹簧撞击器的机械特性见下图。

