

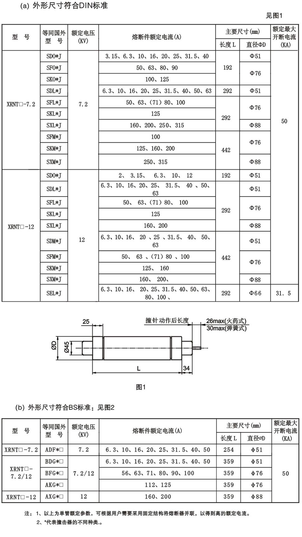
高压熔断器对熔断器截流特性和心特性均遵循以式原则。Ls=nx(单一熔断器予期电流为1/n时的L)。
(1)其中
1.并联后的截流峰值、1.单一熔断器的截流峰值、1,预期电流有效值,n熔断器并联数。
(2)1单熔断器的截流峰值
I't,=n+x(单一熔断器予期电流为1/n时的11值)需要注意的是决不能把熔断器简单的串联使用在高一级的电压电路中。
2.安装与更换
新能源汽车熔断器在安装前首先应检查熔断器外观是否完整良好、清洁,高压熔断器如果熔断器遭受过摔落或剧烈震动后则应检查其电阻值。
在安装时,要注意熔断器上所标明的撞击器方向,以便使其安装在正确位置上,然后锁紧底座上的弹簧卡圈及螺栓,以防过松接触。
在三相系统里,当一个熔断器发生动作后,一般三个熔断器均应更换,除非能证实仅有一个熔断器通过了短路电流。这主要是因为尽管其它两个熔断器未能熔断,但有可能已经严重损伤而接近损坏。
在更換熔断器时必须非常小心,因为限流熔断器在运行时还有个安全范围,它不能保证每一个故障条件均在其安全范围内,如开关装置的脱扣失灵,或熔断器在低于最小分断电流下动作等。为了安全起见,至少要等待熔断器动作10分钟以后和电路被其它电器隔离开的条件下才能更换,一定要保证熔断器在不带电的条件下更换。
在一般的电力系统中,如果选择得当,高压熔断器应很少发生动作,如果不是这种情况,则很可能是系统的选择配合不当或熔断器的计算选择有误,应做进一步的检查和计算。
对于正常运行的熔断器,其寿命可在20年以上,若定期检修设备时,可用测量熔断器内阻的变化来判断其是否老化,内阻的变化范围应在±10%之内。

